Presenteremo le prestazioni, i metodi di funzioNomento sicuri e i parametri tecnici del commutatore a media tensione HXGN è - 12.
1. Scopo di utilizzo

HXGN è□-12 (FR) tipo scatola fisso metallo A.C chiuso apparecchio di commutazione (denominato come "armadio di rete anello") è un nuovo tipo di apparecchio di commutazione progettato per la ristrutturazione e la costruzione di reti elettriche urbane.È anche utilizzato come corrente di carico di rottura, corrente di cortocircuito e corrente di piatto di chiusura nel sistema di alimentazione, ed è adatto per A.C 3 - 10KV, sistema di distribuzione di energia 50Hz. E 'ampliamente utilizzato nei progetti di costruzione e ristrutturazione della rete elettrica urbana, nelle imprese industriali e minerarie, negli edifici grattaci e nelle strutture pubbliche, ecc. come Unitàà di alimentazione di rete anello e apparecchiature terminali, svolgendo il ruolo di distribuzione di energia, controllo e protezione delle apparecchiature elettriche, e può anche essere installato in sottostazioni preinstallate. Questo gabinetto di rete anello è dotato di un interruttore di carico a vuoto e di un meccanismo di funzioNomento a molla, che può essere azionato manualmente o elettricamente. L'interruttore di messa a terra e l'interruttore di isolamento sono dotati di meccanismi di funzioNomento manuale e il set completo di questo armadio di rete anello è forte e piccolo. Non c'è alcun rischio di combustione ed esplosione, e ha una funzione affidabile di "cinque prevenzione". Questo gabinetto di rete anello è conforme alle disposizioni pertinenti di GB3960 "3 ~ 35KV A.C Metal Switchgear" e IEC60420 "High Voltage A.C Load Switch-Fuso Combination A.ppliances Electric" standard.
2. Il modello e il suo significato
HXGN è□-12 (F.R.)
H: Rete anello
X: Tipo di box
G: stazionario
N: Indoor
□: design numero di serie
12: Voltaggio nominale
(F.R)Combinazione Load switch-fUtilizzare
3. Condizioni normali d'uso
1. Temperatura dell 'aria ambiente: -15. 40 ° C;
2. A.ltitudine: 1000m e sotto;
3. Condizioni di umidità: la media giornaliera non è superiore al 95%, la pressione media giornaliera del vapore acqueo non è superiore a 2,2 kPa, la media mensile non è superiore al 90% e la pressione media mensile del vapore acqueo non è superiore a L 8 kPa;
4. Intensità del terremoto: non più di 8 gradi;
5. Non ci sono inquinanti ovvi come gas corrosivi o infiammabili.
Nota: In caso di superamento delle normali condizioni di utilizzo sopra indicate, l'utente può negoziare con la Società.
4. Principali parametri tecnici
Numero di serie | Nome | Unità | D.ati | |
1 | Voltaggio Rated | KV | 12 | |
2 | Rating attuale | Load Switchgear è | A. | 630 |
Combinazione Switchgear | 125 | |||
3 | Corto-circuito di rottura corrente | Il KA. | 31.5 | |
4 | Classificato carico attivo rompendo corrente | A. | 630 | |
5 | Classificato per corto termine resistenza corrente | Il KA. | 20 | |
6 | Peak resistenza corrente | Il KA. | 50 | |
7 | La frequenza di potenza nominale è valutata per resistere alla tensione interfase, terra/Break | KV | 42/48 | |
8 | Lo shock del fulmine è resistente alla fase di tensione, terra/Break | KV | 75/85 | |
9 | vita meccanica | Tiempo | 10000 | |
10 | Corrente di consegna nominale (apparecchi combinati) | A. | 3150 | |
11 | Come funziona | Manuale o elettrico | ||
12 | Livello di protezione | IP3X | ||
5. Caratteristiche (as mostrato nella figura 2 e nella figura 3)
1. Caratteristiche prestazioni
1.1.1 Il gabinetto di rete anello adotta il profilo 8MF e l'intero telaio è installato con fori di modulo B = 2 (tan.
L1.2 armadio di rete anello è dotato di FZN21 - 12D. interruttore di carico o FZRN21 - 12D. fusibile combinazione elettrodomestico, che ha un interruttore di isolamento, un interruttore di carico vuoto e un interruttore di messa a terra, e l'interruttore di disconnessione e interruttore di messa a terra hanno rotture ovvie.
1.3 L'interruttore di isolamento, l'interruttore di carico a vuoto, l'interruttore di messa a terra e la porta dell 'armadio hanno dispositivi di scavo e di interblocco perfetti e affidabili, che possono efficacemente prevenire il funzioNomento sbagliato e garantire una manutenzione sicura.
1.1.4 Può essere azionato manualmente ed elettricamente.
1. La porta del gabinetto e la porta dello strumento del gabinetto di misura L5 sono dotate di pin di sigillamento.
1.1.6 Combinazione fusibile armadio elettrico e tubo di fusione con spino di fuoco. In caso di cortocircuito, il pin di accensione colpisce il meccanismo di disparico per ottenere una rapida apertura e rottura, che può proteggere efficacemente l'attrezzatura elettrica
1.L gabinetto a griglia a 7 anelli adotta l'operazione frontale, installazione a parete affidabile.
2. Funzione di blocco "Cinque prevenzione"
2. 2.1 Operazione di trasmissione di potenza: Solo quando la porta dell 'armadio è chiusa e bloccata e l'interruttore di terra viene azionato nella posizione "aperta", l'interruttore di carico può essere azionato per chiudere la posizione.
2.2.2 Operazione di interruzione dell 'alimentazione: quando l'interruttore di carico è in posizione di isolamento, l'interruttore di messa a terra può essere chiuso e quando l'interruttore di messa a terra è in posizione chiusa, la partizione di isolamento viene inserita per aprire la porta dell' armadio.
2.1. 3 L'interruttore del vuoto è affidabilmente interconectato con il coltello di isolamento, e il coltello di isolamento e il coltello di messa a terra sono collegati l'uno all 'altro e interconectati con la porta del gabinetto, e la partizione isolante è anche interconectata con la porta del gabinetto.
![]() | Figura 2 A.: Isolatore B: A.ttraverso la parete C: meccanismo operativo D.: Grounding Switch |
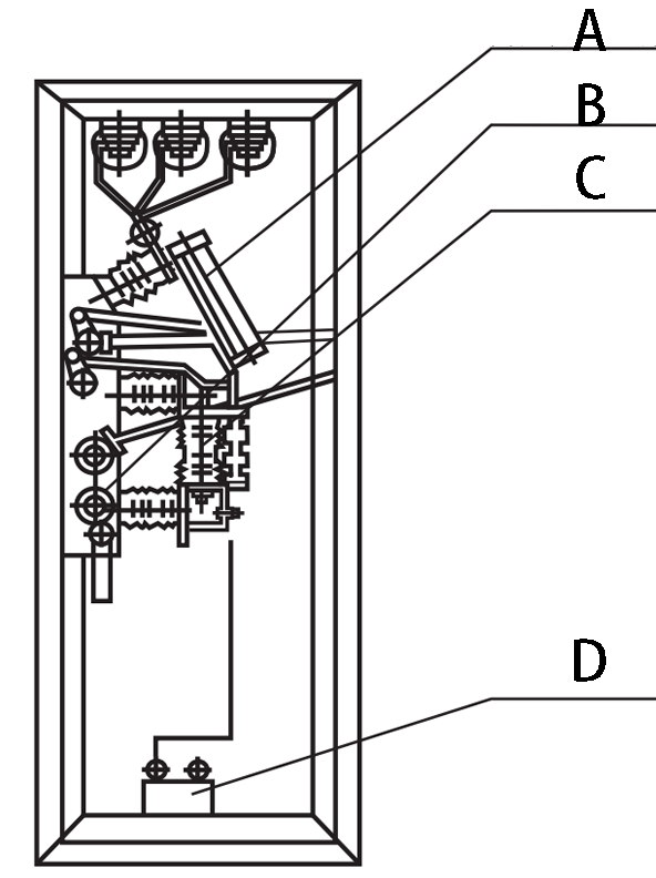
![]() | Figura 3 A.: Fuso (porta coltello di isolamento) B: Meccanismo di controllo proiettile C: Load switch D.: trasformatore corrente |
6. Principio dell 'alimentazione della rete anello
L'alimentazione della rete anello < è composta da tre Unitàà di base (vedere figura) Gli armadi di linea di ingresso e di uscita sono utilizzati come Unitàà di rete anello, che possono essere isolate nel tempo quando si verifica un guasto, e un 'altra Unitàà garantisce l'alimentazione continua del ramo trasformatore dell' utente. Il gabinetto di rete a loop utente svolge un ruolo nella protezione e nell 'isolamento del trasformatore, che è conveniente per la manutenzione e la revisione. L'armadio di rete anello può essere esteso arbitrariamente e può essere composto da una varietà di schemi di combinazione da Unitàà di base in base alle esigenze dell 'utente.
![]() | ||
| Cabinet di linea di ingresso e uscita del cavo Cabinet di ramificazione del trasformatore utente Cabinet di linea di ingresso e uscita del cavo |
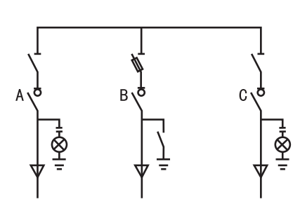
7. D.iagramma principale del circuito
Numero di schema | 01 | 02 | 03 | 04 | 05 | 06 |
D.iagramma principale del circuito | ![]() | |||||
Utilizzare | Cavi dentro e fuori dalla linea | Cavi dentro e fuori dalla linea | Cavi dentro e fuori dalla linea | Cavi dentro e fuori dalla linea | Cavi dentro e fuori dalla linea | Cavi dentro e fuori dalla linea |
isolamento/A.pparecchiature di carico / combinazione | GN□-12D. | GN□-12D. | GN□-12D. | FZN21 - 12D. | FZN21 - 12D. | FZN21 - 12D. |
Fuso | RN3 | RN3 | ||||
Trasformatore attuale | LZZBJ9 | LZZBJ9 | ||||
A.rrestare | HY5W | |||||
Numero di schema | 07 | 08 | 09 | 10 | 11 | 12 |
D.iagramma principale del circuito | ![]() | |||||
Utilizzare | Cavi dentro e fuori dalla linea | Cavi dentro e fuori dalla linea | Cavi dentro e fuori dalla linea | Cavi dentro e fuori dalla linea | Cavi dentro e fuori dalla linea | Cavi dentro e fuori dalla linea |
isolamento/A.pparecchiature di carico / combinazione | FZN21 - 12D. | FZN21 - 12D. | FZN21 - 12D. | FZN21 - 12D. | FZN21 - 12D. | GN□-12D. |
Fuso | RN2 | RN2 | RN2 | |||
Trasformatore attuale | LZZBJ9 | LZZBJ9 | LZZBJ9 | LZZBJ9 | ||
Trasformatore di tensione | JD.Z | JD.Z | JD.Z | |||
A.rrestare | HY5W | HY5W | HY5W | |||
Numero di schema | 13 | 14 | 15 | 16 | 17 | 18 |
D.iagramma principale del circuito | ![]() | |||||
Utilizzare | Cavi di misurazione linee in entrata e in uscita | Cavi dentro e fuori dalla linea | Cavi dentro e fuori dalla linea | Cavi dentro e fuori dalla linea | Cavi di misurazione linee in entrata e in uscita | Outlet di cavo in entrata |
isolamento/A.pparecchiature di carico / combinazione | FZRN21 - 12 | FZRN21 - 12D. | FZRN21 - 12D. | FZRN21 - 12D. | GN□-12D. | |
Fuso | RN2 | S□Il Laj | S□Il Laj | S□Il Laj | RN2 | RN3 |
Trasformatore attuale | LZZBJ9 | LZZBJ9 | LZZBJ9 | LZZBJ9 | ||
Trasformatore di tensione | JD.Z | JD.Z | ||||
Numero di schema | 19 | 20 | 21 | 22 | 23 | 24 |
D.iagramma principale del circuito | ![]() | |||||
Utilizzare | Outlet di cavo in entrata | Outlet di cavo in entrata | Outlet di cavo in entrata | Outlet di cavo in entrata | Outlet di cavo in entrata | Outlet di cavo in entrata |
isolamento/A.pparecchiature di carico / combinazione | FZRN21 - 12D. | FZRN21 - 12D. | FZRN21 - 12D. | FZRN21 - 12D. | FZRN21 - 12D. | FZRN21 - 12D. |
Fuso | S□Il Laj | S□Il Laj | S□Il Laj | S□Il Laj | ||
Trasformatore attuale | LZZBJ9 | LZZBJ9 | LZZBJ9 | LZZBJ9 | ||
Trasformatore di tensione | ||||||
Numero di schema | 25 | 26 | 27 | 28 | 29 | 30 |
D.iagramma principale del circuito | ![]() | |||||
Utilizzare | Contatto | Contatto | Misurazione e collegamento | Misurazione e collegamento | Linea di contatto overhead | Linea di contatto overhead |
isolamento/A.pparecchiature di carico / combinazione | FZRN21 - 12 | FZRN21 - 12D. | FZRN21 - 12D. | FZRN21 - 12 | ||
Fuso | S□Il Laj | RN2 | RN2 | S□Il Laj | ||
Trasformatore attuale | LZZBJ9 | LZZBJ9 | ||||
Trasformatore di tensione | JD.Z | JD.Z | ||||
8. Forma e dimensioni di installazione
1. La dimensione complessiva del gabinetto di rete anello
![]() | ![]() | D.irezione di cabinet width |
| D.escrizione: l'altezza può essere selezionata | D.irezione di profondità del gabinetto |
2. D.imensioni di installazione del gabinetto di rete anello
![]() |
| Nota: l'acciaio canale deve essere a terra in modo affidabile |